English

English

Get a Quote
Products

Hot Products

Company News

Installation of Large Diameter Ball Valves
Installation of Large Diameter Ball Valves
2026-03-09

Large diameter ball valves are commonly used in industries such as petroleum and chemical processing, power generation, long-distance pipeline transportation, and large-scale water treatment systems. If installation is not performed correctly, it may lead to sealing leakage, valve jamming, or structural stress damage. Therefore, proper installation practices are essential to ensure long-term stable operation.   1. Pre-installation Inspection   If pre-installation inspection is insufficient, operational failures are more likely to occur during service. First, inspect the valve body for transportation damage. If scratches, impact marks, or deformation are found on the valve body or sealing surfaces, installation should be stopped and the supplier should be contacted.   Next, verify valve model, pressure rating, and connection standards. If the system design pressure does not match the valve pressure class, operational safety risks may occur. For example, if a low-pressure class valve is mistakenly used in a high-pressure pipeline system, the valve body may experience plastic deformation under water hammer impact.   It is also necessary to check the condition of the ball surface and sealing rings. If there are scratches on the ball surface, sealing performance will be reduced. This is especially critical in gas transmission systems where micro-leakage is more likely.   2. Installation Direction   Large diameter ball valves usually have a flow direction marking. If the installation direction is incorrect, the following problems may occur: If the fluid flow direction matches the design direction, the operating torque will remain more stable. If the valve is installed in reverse, the stem may experience increased mechanical load, which will accelerate stem wear during long-term operation. For double-seal bidirectional ball valves, although bidirectional flow is allowed, installation according to the marked flow direction is still recommended to ensure more uniform sealing stress distribution. In high-temperature or steam systems, if the installation direction is incorrect, thermal expansion may accelerate sealing ring aging.   3. Pipeline Stress Control   Large diameter ball valves are heavy. If installed without proper support, additional bending moments may be transferred to flange connections. If pipeline systems experience axial displacement, pipeline supports should be installed for segmented fixation. If support structures are not provided, the valve body may bear long-term gravitational tensile load, eventually causing flange seal failure. It is generally recommended to install independent supports on both sides of large diameter ball valves. If the pipeline system is subject to thermal expansion and contraction, expansion compensation devices must be installed; otherwise, sealing surfaces may gradually fail.   4. Bolt Tightening Process   Flange connections of large diameter ball valves usually ...

Unite Strength, Create the Future Together --Dervos Annual Grand Event Successfully Concluded
Unite Strength, Create the Future Together --Dervos Annual Grand Event Successfully Concluded
2026-03-02

This year’s Dervos annual conference was noticeably more grand and well-organized than in previous years.   In the morning session, each department delivered its annual work summary, reviewing key projects and achievements over the past year. Teams also openly shared the challenges encountered during implementation and the practical experience gained along the way.   Through this cross-department exchange, everyone developed a clearer understanding of one another’s responsibilities and workflows, laying a stronger foundation for future collaboration and communication.     In the afternoon session, the Outstanding Employee awards were presented. Each nominee shared their work achievements and practical experience, demonstrating a strong sense of responsibility and execution across different roles. It is precisely this proactive mindset, collaborative spirit, and down-to-earth working approach of Dervos employees that drives the team steadily toward its shared goals.     Showing up on time every single day throughout the year — that’s quite an achievement. Ian has now received the Perfect Attendance Award for two consecutive years.     During the annual conference, Dervos also presented medals and exclusive commemorative gifts to employees who have completed five years of service.     Dervos values the long-term dedication and consistent commitment of its team members, and sincerely appreciates the trust and contributions they have made over the years. For many at Dervos, the company is not only a platform for professional growth, but also a stage where shared goals and collective efforts come to life. In the evening, the annual conference transitioned into the banquet segment. Performances and interactive games were seamlessly interspersed, creating a relaxed yet organized atmosphere.     Laughter and cheers echoed throughout the venue, and in the moment the camera shutter clicked, the excitement and joy were captured in a single frame.     Eric said: "Let’s dream together, DERVOS's dream. A dream where we all play a part, piece by piece, it becomes a reality." For Dervos, the annual meeting is not just about "summarizing the year," but about bringing our hearts together, strengthening our resolve in doing the same thing, and then continuing to move forward, step by step, with steady progress.            

What Is the Difference Between Plug Valves and Ball Valves?
What Is the Difference Between Plug Valves and Ball Valves?
2026-02-20

Ball valves and plug valves differ significantly in several aspects, including structure, operating principle, mode of operation, flow control capability, sealing performance, and application scenarios. These differences enable the two types of valves to perform distinct roles in their respective fields.   Structural Differences   The ball valve, a design evolved from the plug valve, utilizes a spherical element as its core component. By rotating the ball 90° around the stem axis, the valve can be opened or closed. Its structure is straightforward, consisting primarily of a spherical closure element with a through-bore housed within the valve body.   In contrast, the structure of a plug valve is more complex. It comprises multiple components such as the valve body, bonnet, plug, seat, and stem. The closure element is a cylindrical or tapered plug that controls flow by rotating 90°, aligning or misaligning the port in the plug with the flow passage in the valve body to achieve opening or shutoff.   Operating Principle   The operating principle of a ball valve relies on the rotation of the ball to control the on-off flow of fluid. When the ball is in tight contact with the valve seat, the clearance between them is completely sealed, thereby preventing fluid leakage. When the ball rotates to a position disengaged from the seat, the fluid is allowed to flow freely through the passage inside the valve body.   The operating principle of a plug valve differs in that it primarily controls the flow passage by rotating the plug element to open or close the valve. In a plug valve, the plug is connected to the stem and rotates together with it to achieve flow control. The closure element is a tapered plug with a port, and the flow passage is designed to be perpendicular to the axis of the plug. This configuration enables the plug valve to operate more efficiently and reliably during opening and closing.   The operation of a ball valve is notably simple, requiring only a 90-degree rotation to achieve opening or closing. This design allows the flow passage to be opened or shut off quickly and smoothly when the ball is rotated by 90 degrees, providing both convenience and efficiency. In addition, ball valves offer relatively low flow resistance in the fully open or fully closed position, making them particularly suitable for applications that require rapid on-off operation.   By contrast, the operation of a plug valve is comparatively more complex, as several turns are typically required to complete the opening or closing action. The valve plug is designed in a cylindrical or tapered form and regulates fluid flow through rotation. Nevertheless, plug valves demonstrate excellent performance in flow regulation, enabling precise adjustment of the flow passage diameter and accurate control of flow rate. However, due to the relatively complicated operating process, plug valves are not well suited for frequent operation...

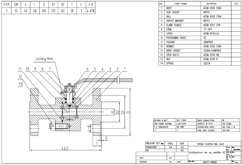
DN50 PN40 Forged Floating Ball Valve Body F304 ISO 17292 RF
加载中...

DN50 PN40 Forged Floating Ball Valve Body F304 ISO 17292 RF

DN50 PN40 Forged Floating Ball Valve is made according to ISO 17292 standard. The valve body is made of ASTM A182 F304. It has the structural characteristics of Full Bore, Floating Ball, Fire-safe and Anti-static, Blow-out Proof Stem. Its connection mode is RF. And it has hand wheel operation mode.

  • Payment:

    30% when order confirmed, 70% before shipment
  • Product Origin:

    china
  • Color:

    Customization
  • Shipping Port:

    Shanghai, China
  • Lead Time:

    30~60 days Ex Works after order confirmation
  • Material:

    ASTM A182 F304 ASTM A182 F304
  • Method of Operation:

    H.W.
Inquiry now
Product Detail

Product Description

Type

Forged Floating Ball Valve

Size

DN50

Pressure

PN40

Connection

RF

Operation

H.W.

Body Material

ASTM A182 F304

Design Norm

ISO17292

Face to Face

EN 558

Connection ends

EN 1092-1 B

Test & Inspection Code

EN12266

Temperature

-29 ~ 120°C

Applicable Medium

Water, Oil and Gas

 

Features

1.Made from F304 forged stainless steel, providing excellent corrosion resistance and durability.

2.Floating ball valve design conforms to ISO 17292 with RF ends for tight sealing and reliable flow control.

 

Technical Drawing

RF Forged Floating Ball Valve

Dimension Checking

RF Forged Floating Ball Valve

Pressure Testing

RF Forged Floating Ball Valve

Nameplate & Packing

RF Forged Floating Ball Valve

Inspection Report

Forged Floating Ball ValveForged Floating Ball ValveForged Floating Ball ValveForged Floating Ball Valve

Leave A Message

If you are interested in our products and want to know more details,please leave a message here,we will reply you as soon as we can.

Related Products
Class 150 Floating Ball Valve
Aluminum Bronze Floating Ball Valve 1 Inch 150LB

The 1 inch floating type ball valve is made of aluminum bronze C95800. The reduced bore ball valve has lever operation, RF flange, two piece type body. Quick Detail Type Ball Valve Size 1" Pressure ANSI 150 Construction Floating Ball, 2-Piece Body, Side Entry, Reduced Bore Connection Flanged End Operation Lever Operation Body Material Aluminum Bronze ASTM B148 C95800 Media W.O.G Available Modifications for Ball Valve -Nominal Pressure -Valve Size -Reduced Port & Full Port -Material of Body, Ball, Stem, Seat, Packing, Bolt and Nut -Valve Operation (Lever, Gearbox, Pneumatic or Hydraulic or Electric Actuator) -End Connection Type -Available Extended Stem -Customized Coating & Packaging -Modifications of Drain Port Dervos Packaging Good packing means good first impression. Just imagine how do you feel differently when seeing two boxes below? And you will know the reason why in Dervos we value packaging so much. In Dervos, we make sure- 1.Every valve is clean and dry. What do we do? -Clean the valve before packing -Add anti-rust oil -Add flange cover 2.No damage to valves in delivery. How do we achieve this? -Fix the valve with iron wire -Separate the valve with soft material -Layer the valve with plywood 3.Strong box and clear shipping mark

Two Piece Cast Steel Ball Valve
Casting 2 Piece Ball Valve 4 Inch Class 150 Wrench

The 2 piece type floating ball valve has full port, fire safe design, anti blowout stem, ANSI 150 flange and lever operation. The carbon steel ball valve is designed with A216 WCB body, F316 stem and ball, PTFE soft seat. Quick Detail Type Ball Valve Size 4" Pressure 150 LB Construction Floating Type Ball, Two Piece Body, Full Bore Connection Raised Face Flange End Operation Wrench Operation Body Material Cast Steel WCB Trim Material SS316 &PTFE Design Standard API 6D Pressure & Temp Code ASME B16.34 Face to Face ASME B16.10 End Connection ASME B16.5 Inspection Code API 6D Temperature Range -29℃~+125℃ Media Water, oil and gas Material & Dimension No Part Name  Carbon steel to ASTM  Stainless Steel to ASTM WCB  LCB CF8 CF8M CF3 CF3M 1 Body  A216 WCB A352 LCB A351 CF8 A351 CF8M A351 CF3 A351 CF3M 2 Bonnet nut A194 2H A194 4 A194 8 3 Bonnet bolt A193 B7 A320 L7 A193 B8 4 Cap A216 WCB A352 LCB A351 CF8 A351 CF8M A351 CF3 A351 CF3M 5 Gasket SS Spiral Wound/graphite or SS Spiral Wound/PTFE 6 Ball  A105/Ep.Cr or F6 A182 F6 A351 CF8 A351 CF8M A351 CF3 A351 CF3M 7 Seat Ring RPTFE or POM 8 Small spring Stainless Steel 9 Small ball A182 F304  A182 F316L 10 Stem A182 F6 A182 F6 A182 F304 A182 F316 A182 F304L A182 F316L 11 Stem Seat PTFE 12 Stem Packing PTFE or Graphite 13 Gland A182 F6 A182 F304 A182 F316 A182 F304L A182 F316L 14 Gland Bolt A193 B7 A193 B8 15 Galnd Flange A216 WCB A351 CF8 16 Positioning Plate Steel 17 Wrentch A216 WCB The material is according to ASTM standard CLASS 150 DN mm 15 20 25 40 50 65 80 100 150 200 250 NPS in 0.5 0.75 1 1.5 2 2.5 3 4 6 8 10 L (RF) mm 108 117 127 165 178 191 203 229 394 457 533 in 4.25   4.6 5 6.5 7 7.5 8 9 15.5 18 21 L1 (BW) mm 140 152 165 190 216 241 283 305 457 521 559 in 5.5 6 6.5 7.48 8.5 9.5 11.13 12 18 20.5 22 L2 (RTJ) mm 119 129.7 139.7 178 191 203 216 241 406 470 546 in 4.69 5.11 5.5 6.9 7.5 8 8.5 9.5 16 18.5 21.5 H mm 66 74 87 105 132 152 182 215 250 285 495 in 2.6 2.9 3.48 4.2 5.28 6.08 7.28 8.6 10 11.4 19.5 Do(W) mm 130 130 160 230 400 400 600 850 1100 1500 *350 in 5.1 5.11 6.3 9 15.74 15.74 23.62 33.46 43.3 59 13.8 RF(Kg)   2.3 3 4.5 7 15 20 25 40 97 160 240 BW(Kg)   2.0 2.5 3.8 5.8 12 17 21 36 92.8 154 227 *Worm Gear or Electric actuator operated Special Tests & Inspections In addition to regular hydraulic testing and air testing, Dervos could also do specials test as per clients’ requests, such as PT test, RT test, UT test, cryogenic test, low leakage test, fire proof test, and hardness test and so on. 

DN100 WCB Ball Valve
DIN Ball Valve DN100 PN16 WCB Floating Ball Heating Jacket

DIN Ball Valve Full Pore RF Floaing Ball Fire Proof anti-static Lever WCB Body A105+ENP Ball 17-4PH Stem F304+Ni55 Seat X750 Spring Welding Flange Heating Jacket DN100 PN16 Quick Detail Type Ball Valve Size DN100 Design Pressure PN16 Construction Floating ball valve ConnectionType Raised Face Flange OperationType Lever Body Material WCB BallMaterial A105+Ni60 Stem Material 17-4PH SeatMaterial F304+Ni55 Design Code EN12516-1 Face to Face Dimension EN558-1 End Connection EN1092-1 B1 Pressure & Temp EN12266 Medium Water, Oil and Gas Origin China

API 6D Ball Valve Manufacturer
API 6D Floating Ball Valve 2 Inch 600LB Extended Stem A105

API 6D ball valve is designed with an extended stem for special use, like underground ball valve or low temperature application. The length of the extended stem can be customized as per client's request. Quick Detail Type Ball Valve Size 2 Inch Pressure Class 600 Construction Split Body, Side Entry, Floating Type, Firesafe Design, Antistatic System, Anti-Blowout Stem, Extended Bonnet Connection RF Flange Operation Mode Lever Body Material A105N Trim Material SS304 Ball and Stem, RPTFE Seat Design & Manufacture API 6D Pressure & Temp Code ASME B16.34 End to End ASME B16.10 End Connection ASME B16.5 Inspection API 6D, API 598 Temperature Range -29℃~+200℃ Medium Oil, Water, Gas QC Process in Dervos Casting inspection: We can find out the raw material’s problem, such as shoddy casting, unqualified wall thickness, chemical composition and so on, which ensure that you will not be cheated.   Machining Inspection: -Ensure machining accuracy -Find out machining mistake as early as possible, to win more time for repairing, remaking Final Inspection: -Final inspection activities include document and QC record review, visual examination, dimension check, pressure test, painting and packing check -Save time and cost: you don’t need to come and inspect in person and all the documents could be provided as proof. Inspection report will be provided free of charge including:   -EN 10204 3.1 Mill Test Certificate -Inspection Report, showing the whole inspection process

 Forged Steel A105 NPT Ball Valve
DN25 PN100 Forged Steel A105 NPT Ball Valve

DN25 PN100 Forged Steel A105 NPT Connection Way 2 Pieces Construction Full Pore Lever Operation Floating Ball Fire Safety Body and Bonnet A105 Ball a182 F304 Seat Ring PTFE Stem A182 F304 Stem O Ring Viton Packing Graphite Gland Stainless Steel Design and Manufacture ASME B16.34 Face to Face Design Manufacture Standard Manufacture Standard Screw and Dimension ANSI B1.20.1 Inspection and Test API598 Fire Safety Design API 607  Quick Detail Type Ball Valve Size DN25 Pressure PN100 Construction 2 Pieces Connection NPT Operation Mode Lever Body Material A105 Cover A105 Design & Manufacture ASME B16.34 End to End ASME B16.10 End Connection  ANSI B1.20.1 Inspection API 598 Temperature Range -29℃~+538℃ Medium Oil, Water, Gas

2 Piece Floating Ball Valve WCB 150LB 4Inch Reduced Bore
2 Piece Floating Ball Valve WCB 150LB 4Inch Reduced Bore

The 2-piece floating ball valve, made in accordance with API 6A, has a design of reduced bore, fire safe design, anti blowout stem. With the RPTFE seat and PTFE O ring, the 4 inch WCB valve is certificate to serve you.

JIS 2 Piece Floating Ball Valve RF×NPT 25A 16K
JIS 2 Piece Floating Ball Valve RF×NPT 25A 16K

This ball valve, designed as per ASME B16.34, features two different connection ways--one side for RF and the other side NPT. The valve with floating ball, PTFE seat, SCS13 body and other features has an excellent sealing performance.

2 Inch 600LB API6D Ball Valve RF Full Bore 2 piece type
2 Inch 600LB API6D Ball Valve RF Full Bore 2 piece type

The forged steel ball valve is made of A105 body and 17-4PH trim with RTJ flange end and lever operation. This floating ball valve features reliable sealing performance and easy operation.

Stainless Steel 2 Pieces Type Ball Valve 1-1/2 Inch 800LB
Stainless Steel 2 Pieces Type Ball Valve 1-1/2 Inch 800LB

Made of F316, the floating ball valve is designed under the code of ASME B16.34. The valve consists of two-piece body, floating ball, lever operation, with good reliable sealing performance and small torque.

Forged Steel Floating Ball Valve
DN25 PN16 Forged Steel Floating Ball Valve Body ASTM ISO 17292

DN25 PN16 Forged Steel Floating Ball Valve is made according to ISO17292 standard. The valve body is made of ASTM-A105. It has the structural characteristics of Split Body, Floating Ball, Full Bore, Fire-safe, Anti-static, Blow-out Proof Stem. Its connection mode is RF . And it has hand wheel operation mode.

1Inch Three-Piece Manual Ball Valve Full Bore
1Inch Three-Piece Manual Ball Valve Full Bore

Made of CF8M, the 2 PC valve is designed according to ASME B16.34. Mixed with 15 percent of fibreglass, the RPTFE seat of the valve is more eligible to bear high temperature and high corrosive working condition.

Flanged End Ball Valve
Flanged End Ball Valve, ASTM A350 LF6, CL600, 1/2 Inch, Two Piece

China Flanged End Ball Valve Producer,Dervos Offers Flanged End Ball Valve, ASTM A350 LF6, Class 600, 1/2 Inch, Two Piece, Forging, API 608, BS 5351, ASME B16.34.

Leave a message

    If you are interested in our products and want to know more details,please leave a message here,we will reply you as soon as we can.

Home

Products

about

contact