English

English

Get a Quote
Products

Hot Products

Company News

Can Line Blind Valves Handle High-Temperature Steam Applications?
Can Line Blind Valves Handle High-Temperature Steam Applications?
2026-03-19

Recently, Dervos Valve helped a client in Hungary overcome a common challenge in industrial steam systems: how to safely isolate high-temperature pipelines without leakage or downtime.   Operating with saturated steam at around 250°C and exposed to temperatures as low as -39°C, the client’s system demanded a solution that was both robust and reliable. Traditional valves often failed to maintain a tight seal under such conditions, and conventional isolation methods required depressurizing the line, increasing downtime and operational risk.   To address these challenges, Dervos supplied a DN400 PN40 sliding line blind valve, engineered specifically for the project’s harsh conditions. The valve’s sliding blind mechanism allows operators to switch between flow and isolation positions without depressurizing the system, enhancing safety and efficiency during maintenance.   Built with forged 20GML steel and a metal-to-metal stainless steel sealing structure, the valve delivers reliable performance under both high-temperature steam and extreme outdoor climates. Its full-bore design minimizes flow resistance, while the worm gear manual actuator ensures smooth and controlled operation even at large sizes and high pressure ratings. Safety features such as anti-misoperation devices and protective blind plate structures further reduce the risk of errors during handling.   Since installation, the valve has enabled leak-free operation, safer maintenance procedures, and stable performance in extreme temperatures. Designed for a service life exceeding 30 years, it provides a long-term, low-maintenance solution, giving the client confidence in their steam system’s reliability and safety.   This project highlights how a carefully engineered sliding line blind valve can solve critical isolation challenges in high-temperature steam applications, combining operational safety, durability, and efficiency in one solution.

Are Gate Valves Full Port?
Are Gate Valves Full Port?
2026-03-13

In industrial piping systems, gate valves are generally considered low-resistance isolation valves. When the valve is fully open, the gate is completely withdrawn from the flow path, allowing the fluid to pass through with minimal obstruction.   However, from a strict engineering perspective, not all gate valves are classified as full port valves.   If the seat bore is equal to or very close to the pipeline internal diameter, the flow experiences little or no restriction. In this case, the valve can be considered full port (or near full port). This design is commonly used in oil and gas pipelines, water transmission systems, and other applications where low pressure drop is required.   If the seat bore is slightly smaller than the pipe internal diameter, a minor flow restriction will occur inside the valve. In such cases, the valve is more accurately described as reduced bore. This configuration is more common in smaller sizes or cost-optimized valve designs.   In engineering practice, a simple selection logic can be applied: ● If the system requires minimum flow resistance or pipeline pigging, the valve bore must match the pipeline diameter. ● If the valve is used for general isolation purposes, most standard gate valves can already meet the required flow capacity.   Therefore, a concise conclusion can be drawn: Gate valves are typically close to full port designs, but whether they are truly full bore depends on whether the seat bore equals the pipeline internal diameter.   QA   Q1: Are gate valves always full bore?Not necessarily. If the seat bore equals the pipe internal diameter, the valve can be considered full bore. If it is slightly smaller, it is classified as reduced bore.   Q2: Why do gate valves have relatively low flow resistance?When the valve is fully open, the gate is completely removed from the flow path, allowing the fluid to pass through in a nearly straight line, which results in low pressure drop.   Q3: Are gate valves suitable for high-flow pipelines?Yes. If the system requires low pressure drop, gate valves are commonly used.   Q4: Is the concept of full port the same for gate valves and ball valves?Not exactly. For ball valves, the bore size is determined by the ball port diameter, while for gate valves, it is mainly determined by the seat bore diameter.

Installation of Large Diameter Ball Valves
Installation of Large Diameter Ball Valves
2026-03-09

Large diameter ball valves are commonly used in industries such as petroleum and chemical processing, power generation, long-distance pipeline transportation, and large-scale water treatment systems. If installation is not performed correctly, it may lead to sealing leakage, valve jamming, or structural stress damage. Therefore, proper installation practices are essential to ensure long-term stable operation.   1. Pre-installation Inspection   If pre-installation inspection is insufficient, operational failures are more likely to occur during service. First, inspect the valve body for transportation damage. If scratches, impact marks, or deformation are found on the valve body or sealing surfaces, installation should be stopped and the supplier should be contacted.   Next, verify valve model, pressure rating, and connection standards. If the system design pressure does not match the valve pressure class, operational safety risks may occur. For example, if a low-pressure class valve is mistakenly used in a high-pressure pipeline system, the valve body may experience plastic deformation under water hammer impact.   It is also necessary to check the condition of the ball surface and sealing rings. If there are scratches on the ball surface, sealing performance will be reduced. This is especially critical in gas transmission systems where micro-leakage is more likely.   2. Installation Direction   Large diameter ball valves usually have a flow direction marking. If the installation direction is incorrect, the following problems may occur: If the fluid flow direction matches the design direction, the operating torque will remain more stable. If the valve is installed in reverse, the stem may experience increased mechanical load, which will accelerate stem wear during long-term operation. For double-seal bidirectional ball valves, although bidirectional flow is allowed, installation according to the marked flow direction is still recommended to ensure more uniform sealing stress distribution. In high-temperature or steam systems, if the installation direction is incorrect, thermal expansion may accelerate sealing ring aging.   3. Pipeline Stress Control   Large diameter ball valves are heavy. If installed without proper support, additional bending moments may be transferred to flange connections. If pipeline systems experience axial displacement, pipeline supports should be installed for segmented fixation. If support structures are not provided, the valve body may bear long-term gravitational tensile load, eventually causing flange seal failure. It is generally recommended to install independent supports on both sides of large diameter ball valves. If the pipeline system is subject to thermal expansion and contraction, expansion compensation devices must be installed; otherwise, sealing surfaces may gradually fail.   4. Bolt Tightening Process   Flange connections of large diameter ball valves usually ...

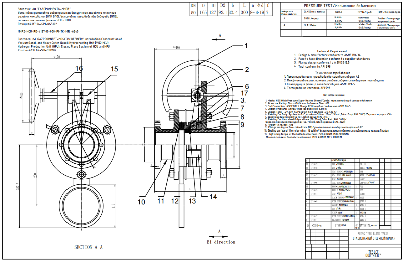
2 600LB F22 Swing Type Blind Valve RF ASME B16.34
加载中...

2" 600LB F22 Swing Type Blind Valve RF ASME B16.34

  • Payment:

    30% when order confirmed, 70% before shipment
  • Product Origin:

    china
  • Color:

    Customization
  • Shipping Port:

    Shanghai, China
  • Lead Time:

    30~60 days Ex Works after order confirmation
  • Material:

    F22
  • Method of Operation:

    Hand wheel
Inquiry now
Product Detail

2" 600LB Swing Type Blind Valve is made according to ASME B16.34 standard. The valve body is made of F22. It has the structural characteristics of Swing Type. Its connection mode is RF. And it has Hand Wheel operation mode.

 

Product Parameters

 

Type

Swing Type Blind Valve

Size

2”

Pressure

600LB

Connection

RF

Operation

Hand wheel

Body Material

F22

Design Norm

ASME B16.34

Face to face

supplier standards

End connection

ASME B16.5 Flange RF

Test & Inspection Code

API 598

Temperature

-29 ~ 530°C

Applicable Medium

Water, Gas

 

Features

1.Swing-type blind mechanism enables quick isolation and safe maintenance of pipeline systems.

2.F22 alloy steel body with RF flange ensures high-temperature strength and reliable sealing performance.

 

Technical Drawing

Swing Type Blind Valve

Dimension Checking

Swing Type Blind Valve

Pressure Testing

Swing Type Blind Valve

Painting

Swing Type Blind Valve

Nameplate & Packing

Swing Type Blind Valve

Inspection Report

Swing Type Blind ValveSwing Type Blind ValveSwing Type Blind ValveSwing Type Blind Valve

 

Leave A Message

If you are interested in our products and want to know more details,please leave a message here,we will reply you as soon as we can.

Related Products
Stainless Steel Flanged Gate Valve
Stainless Steel Gate Valve DIN 3352 PN16 OS&Y

The stainless steel CF8M gate valve is designed with flange connection and handwheel operation per DIN 3352. The PN16 DN200 full port gate valve has OS&Y structure, resilient wedge and replaceable seat. Design Specifications Design and Manufacture: DIN 3352 End to End Dimension: DIN3202 Flange End: EN1092-1 Test & Inspection: EN12266-1/2 Design Feature -Full Bore Design -Superior flow rates & small friction loss -Low torque value for closing and opening the valve -Flexible wedge for better seating and ease of operation -Smooth finish and superior sealing for seat face -Every valve is manufactured with specific number on body for traceability Quick Detail Type Gate Valve Size DN 200 Pressure PN 16 Construction Bolted Bonnet, Rising Stem, Outside Screw and Yoke Connection Flange Connection Operation Handwheel Body Material Stainless Steel CF8M TrimMaterial Stainless Steel Temperature Range -268℃~+648℃ Medium Water, Oil and Gas Origin China Dervos Packaging Packaging is an important part we could never neglect. Dervos has a packaging process for each order to ensure a safe and clear delivery of the order.

ASME B16.34, DN50 PN160 3 Pieces Floating Ball Valve, F NPT Connection, Lever, Body A105
ASME B16.34, DN50 PN160 3 Pieces Floating Ball Valve, F NPT Connection, Lever, Body A105

DN50 PN160 3 pieces floating ball valve is made according to ASME B16.34 standard. The valve body is made of A105. It has the structural characteristics of floating ball, full bore, fire-resistant and anti-static. Its connection mode is F NPT. And it has lever operation mode.

4 Double Eccentric Butterfly Valve
4" 150LB Double Eccentric Butterfly Valve, Body WCB, Wafer Type, API609

4" 150LB Double Eccentric Butterfly valve is made according to API609 standard. The valve body is made of WCB. It has the structural characteristics of high performance, dual eccentricity, butterfly plate with bolt holes, bi-directional sealing. Its connection mode is wafer.

6 150LB Dual Plate Wafer Type Check Valve CF8M API 594
6" 150LB Dual Plate Wafer Type Check Valve CF8M API 594

6" 150LB Check Valve is made according to API 594 standard. The valve body is made of A351 CF8M. It has the structural characteristics of Dual Disc, Internal Type. Its connection mode is RF.   Product Parameters   Type Dual Plate Wafer Type Check Valve Size 6” Pressure 150LB Connection RF Body Material A351 CF8M Design Norm API 594 Face to Face API594 End connection ASME B16.5 Test & Inspection Code API 598 Temperature -46 ~ 300°C Applicable Medium Water, Oil and Gas   Features 1.CF8M stainless steel body provides excellent corrosion resistance for chemical and marine environments. 2.Dual plate wafer design per API 594 ensures compact structure, low pressure drop, and reliable backflow prevention.   Technical Drawing Dimension Checking Pressure Testing Spectrum Inspection Report

Forged Steel Gate Valve
1”150LB Forged Steel Gate Valve A105N API602 ASME B16.34 RF

1”150LB Forged Steel Gate Valve is made according to API602, ASME B16.34 standard. The valve body is made of ASTM A105N. It has the structural characteristics of Bolted Bonnet, Solid Wedge. Its connection mode is RF. And it has Handwheel operation mode.

2 1500LB Y-Globe Valve A105N API602 Handle
2" 1500LB Y-Globe Valve A105N API602 Handle

2" 1500LB Y-Globe Valve is made according to API602 standard. The valve body is made of A105N+STL. This valve features a split body design with Y-type, BB, OS&Y Globe Valve. It connection mode is SW.The valve is operated by Handle.

ASME B16.34 Y Type Globe Valve
ASME B16.34 Y Type Globe Valve Plug Type Disc 4 inch CL150

Y type globe valve. CF8 body/bonnet, F304 disc/stem, SS304+flexible graphite gasket and bronze bolt and nut. Plug type disc and Raised face flange connection.  Quick Detail  Type Globe Valve Size 4 inch DesignPressure CL150 Construction Y Type Globe Valve Connection Type Raised Face Flange Connection Operation Handwheel Design Code ASME B16.34 Face to Face ASME B16.10 Test & Inspection  API 598 Body Material CF8 Temperature Range -29~538℃ Application WOG

Double Eccentric Butterfly Valve
Body CF8M, 6" 150LBS High Performance Double Eccentric Butterfly Valve, Lug Connection, Lever, API609

6" 150LBS double eccentric butterfly valve is made according to API 609 standard. The valve body is made of A351 CF8M. It has the structural characteristics of double eccentric and high performance. Its connection mode is lug. And it has lever operation mode.

2 150LB Y Strainer LCB ASME B16.34 RF
2" 150LB Y Strainer LCB ASME B16.34 RF

2" 150LB Y Strainer is made according to ASME B16.34 standard. The valve body is made of LCB. It has the structural characteristics of Y-Type, Double Mesh Screen, Mesh Size 1/16", Hole Pitch 3/32". Its connection mode is RF. 

DN400 PN40 Forged Piece Slide Blind Valve EN12516-1/2 RF
DN400 PN40 Forged Piece Slide Blind Valve EN12516-1/2 RF

DN400 PN40 Slide Blind Valve is made according to EN12516-1/2 standard. The valve body is made of LF2. The valve is designed for steam service with an operating temperature of 250°C, operating pressure of 1.3 MPa, design pressure of 2 MPa, design temperature range from -39°C to +350°C, and ambient temperature range from -39°C to +34.7°C. Its connection mode is RF. And it has GEAR operation mode.   Product Parameters   Type Slide Blind Valve Size DN400 Pressure PN40 Connection RF Operation GEAR Body Material A182 LF2 Design Norm EN12516-1/2 Face to face Supplier Standards Flange dimension GOST 33259-Type B Test & Inspection Code EN12266-1/2 Temperature -29 ~ 120°C Applicable Medium Water, Oil and Gas   Features 1.Forged one-piece design provides high structural integrity and leak-proof performance under PN40 pressure. 2.Slide blind mechanism with RF flange allows safe and efficient isolation of pipeline sections.   Technical Drawing Dimension Checking Pressure Testing Painting Nameplate & Packing Inspection Report

Forged Steel Globe Valve
API602 3/4" 1500LB Forged Steel Globe Valve A105N SW

3/4" 1500LB Forged Steel Globe Valve is made according to API602 standard. The valve body is made of A105N+STL. It has the structural characteristics of Body–Bonnet Bolted Connection, OS&Y Yoke, Plug-Type Disc. Its connection mode is SW. And it has hand wheel operation mode.

1/2” 400LB Floating Ball Valve Body B62 C83600 Lever OP.
1/2” 400LB Floating Ball Valve Body B62 C83600 Lever OP.

1/2” 400LB Floating Ball Valve is made according to ASME B16.34 standard. The valve body is made of B62 C83600. It has the structural characteristics of Two-Piece. Its connection mode is Lever OP.. 

Leave a message

    If you are interested in our products and want to know more details,please leave a message here,we will reply you as soon as we can.

Home

Products

about

contact