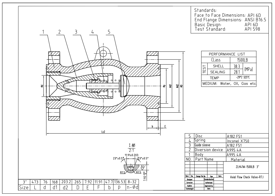
3" 1500LB axial flow check valve is made according to API 6D standard. The valve body is made of A995 4A. It has the structural characteristics of axial flow type, and structural length of 473mm. Its connection mode is RTJ.
Payment:
30% when order confirmed, 70% before shipmentProduct Origin:
ChinaColor:
CustomizationShipping Port:
Shanghai, ChinaLead Time:
30~60 days Ex Works after order confirmationMaterial:
A995 4AProduct Description
|
Type |
Axial Flow Check Valve |
|
Size |
3" |
|
Pressure |
1500LB |
|
Connection |
RTJ |
|
Body Material |
A995 4A |
|
Design Norm |
API 6D |
|
Face to Face Dimensions |
APl 6D |
|
End Flange Dimensions |
ANSl B16.5 |
|
Test & Inspection Code |
API 598 |
|
Temperature |
-29 ~ 325°C |
|
Applicable Medium |
Water, Oil and Gas |
Features
1. Compact structure, small footprint, suitable for installation in places with limited space;
2. Through design and material selection, good sealing performance can be achieved to prevent medium backflow.
Technical Drawing
Dimension Checking
Pressure Testing
Nameplate & Packing
Inspection report



If you are interested in our products and want to know more details,please leave a message here,we will reply you as soon as we can.