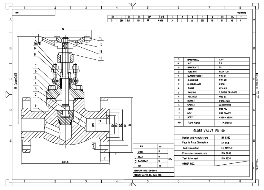
DN25 PN100 globe valve is made according to API 602 standard. The valve body is made of A105N+SS304. It has the structural characteristics of bolt cover, straight through type. Its connection mode is EN1092-1 D. And it has hand wheel operation mode.
Payment:
30% when order confirmed, 70% before shipmentProduct Origin:
ChinaColor:
CustomizationShipping Port:
Shanghai, ChinaLead Time:
30~60 days Ex Works after order confirmationMaterial:
A105N+SS304Method of Operation:
Hand WheelProduct Description
|
Type |
Globe Valve |
|
Size |
DN25 |
|
Pressure |
PN100 |
|
Connection |
EN1092-1 D |
|
Operation |
Hand Wheel |
|
Body Material |
A105N+SS304 |
|
Design Norm |
API 602 |
|
Face to Face Dimensions |
EN 558 |
|
End Connection |
EN 1092-D |
|
Pressure-temperature |
DIN 2401 |
|
Test & Inspection Code |
DIN 3230 |
|
Temperature |
-29 ~ 500°C |
|
Applicable Medium |
Water, Oil and Gas |
Features
1. Multiple connection methods such as flange connection and clamp connection can be used to meet the needs of different pipeline systems;
2. It has good corrosion resistance and can work stably in corrosive media for a long time, suitable for industries such as chemical, petroleum, and natural gas.
Technical Drawing
Dimension Checking
Pressure Testing
Nameplate & Packing
Inspection report




If you are interested in our products and want to know more details,please leave a message here,we will reply you as soon as we can.