English

English

Get a Quote
Products

Hot Products

Company News

Key International Standards for Butterfly Valves: Detailed Overview of API 609, ISO 5752, and JB/T 8527
Key International Standards for Butterfly Valves: Detailed Overview of API 609, ISO 5752, and JB/T 8527
2025-12-05

Butterfly valves are widely used in industrial piping systems due to their compact structure, lightweight design, and quick operation. They are commonly applied in water treatment, chemical, power, oil, and gas industries. However, when dealing with industrial standards across different countries and regions, selecting a butterfly valve that meets the relevant specifications is crucial. This article provides a detailed analysis of butterfly valve design and selection requirements based on three key standards: API 609, ISO 5752, and GB/T 12238.   1. API 609 — American Petroleum Institute Standard   API 609 is the American Petroleum Institute (API) standard for metal-seated butterfly valves, primarily used in the oil, gas, and chemical industries. The standard defines valve structure, materials, dimensions, and pressure ratings to ensure reliable performance under high temperature, high pressure, and corrosive media conditions.   Key points include: ● Pressure Ratings: Covers Class 150 to 1500, accommodating various service conditions. ● Body and Disc Design: Metal-to-metal sealing requires precise alignment between disc and seat to prevent leakage under high temperature or high pressure. ● Testing and Inspection: Includes shell tests, seat leakage tests, and operational performance checks to ensure valve safety and reliability.   For high-temperature steam or high-pressure oil and gas pipelines, selecting a butterfly valve compliant with API 609 can significantly reduce leakage risk and extend equipment lifespan.   2. ISO 5752 — International Standard Organization Standard   ISO 5752 is the International Organization for Standardization (ISO) standard that specifies end dimensions and flange connection sizes for valves. It defines the face-to-face dimensions, flange sizes, and connection methods for butterfly valves, providing a consistent interface specification for industrial users worldwide.   Key points include: ● Face-to-Face Dimensions: Specifies valve lengths for different nominal diameters to ensure compatibility with piping systems. ● Flange Dimensions: Ensures valves match international standard pipe fittings, such as ANSI or DIN flanges. ● Interchangeability: Butterfly valves designed according to ISO 5752 can be replaced or serviced globally without redesigning the pipeline interface.   ISO 5752 is particularly suitable for multinational engineering projects, ensuring the universality of butterfly valves across different plants and systems.   3. JB/T8527 — Chinese National Standard   JB/T8527 is the Chinese national standard specifying the dimensions, structure, and testing requirements for metal hard-seal butterfly valves. It is widely applied in domestic industrial projects such as water conservancy, power, and petrochemical industries, serving as an important reference for procurement and acceptance.   Key ...

How to Prevent Check Valve Leakage and Ensure a Proper Seal
How to Prevent Check Valve Leakage and Ensure a Proper Seal
2025-11-27

Check valves are often considered the most “quiet” yet essential components in a piping system. Their primary function is to prevent backflow and safeguard pumps, compressors, and the overall stability of the system. However, in real-world applications, poor sealing—commonly referred to as “leakage”—is one of the most frequent and frustrating issues encountered in check valve operation.   When a check valve fails to seal properly, it can reduce system efficiency, trigger pressure fluctuations, cause water hammer, and even damage critical equipment. This article breaks down the technical causes behind check valve leakage and offers practical diagnostic and corrective measures to help you quickly identify and resolve sealing problems, even under challenging operating.   1. Why Does a Check Valve Fail to Close Properly? Common Causes Explained   1. Presence of Particles or Solid Impurities in the Medium Solid particles can become trapped between the disc and the seat, preventing full contact and causing slight or even noticeable leakage.   Typical signs include: ● Significant leakage at small opening positions ● Leakage decreases after cleaning   2. Disc Wear or Seat Damage Frequent cycling, corrosive media, or high-velocity flow can wear the sealing surfaces, resulting in scratches, pits, or deformation. This issue is especially common in high-temperature steam systems.   3. Incorrect Installation Direction or Insufficient Tilt Angle Although it may sound like a basic mistake, incorrect installation still occurs on many job sites. Since check valves rely heavily on gravity and flow direction, improper installation prevents the disc from returning to its closed position smoothly.   4. Flow Velocity Too Low to Create Adequate Differential Pressure A check valve opens through fluid flow. When the flow rate is too low, the disc may flutter or fail to close completely, leading to leakage.   Common scenarios include: ● Insufficient straight-pipe length ● Frequent pump start/stop ● Poorly designed low-flow systems   5. Disc Sticking or Hinge Mechanism Not Operating Smoothly In swing check valves, rust, corrosion, or lack of lubrication at the hinge pin or disc connection may cause sticking, preventing full closure.   6. Thermal Deformation of Sealing Surfaces Due to Temperature Fluctuations In high-temperature conditions such as steam service, thermal expansion and contraction can slightly deform sealing surfaces, resulting in an imperfect seal.   2. How to Quickly Determine If a Check Valve Is Not Closing Properly?   1. Abnormal Pressure Gauge Readings If the inlet pressure remains stable while the outlet pressure gradually rises, backflow caused by check-valve leakage is the most likely reason.   2. Pipe Vibration or Light Knocking Sounds This indicates that the disc is oscillating at high frequency, often due to insufficient flow velocity or a loose dis...

Business Team Visits Europe for In-Depth Customer Engagement
Business Team Visits Europe for In-Depth Customer Engagement
2025-11-20

Recently, representatives from Dervos Valve visited long-term industrial valve partners in Norway, Italy, Germany, and Spain. The multi-day trip focused on understanding customers’ current project requirements and discussing future procurement plans and technical specifications in greater depth.     In Norway, our team was invited to visit the customer’s equipment installation workshop and valve application site. Through direct discussions with the engineering and procurement teams, we gained a clear understanding of their concerns regarding high-pressure applications, material selection, and delivery schedules. The customer noted, “Dervos has an excellent grasp of our project needs. Your quick response and professional recommendations give us great confidence.” This feedback reflects not only trust in our product quality but also strong recognition of our service capabilities.   The team then traveled to Italy for technical discussions with our local partners and visited their valve assembly and testing facilities. Our representatives introduced Dervos’s manufacturing capabilities, quality inspection processes, and ongoing product enhancements across ball valves, gate valves, butterfly valves, and check valves. The Italian customer remarked, “The solutions you presented are highly practical and will significantly improve the reliability of our projects.” Such positive feedback further strengthened the confidence in our partnership.   Through this trip, Dervos gained deeper insights into the European market’s expectations regarding valve performance, quality control, and delivery reliability. We will continue to refine our products and services based on customer feedback, ensuring that every partner receives a reliable and fully tailored one-stop valve solution.   Looking ahead, Dervos Valve will remain committed to our service philosophy of listening to customers, responding quickly, and delivering real value. With higher product standards and more professional technical support, we aim to strengthen and advance our cooperation with customers around the world.

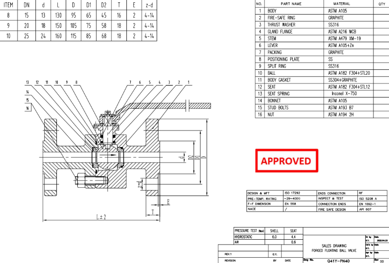
DN15 PN40 Forged Floating Ball Valve Body ASTM A105 ISO 17292
加载中...

DN15 PN40 Forged Floating Ball Valve Body ASTM A105 ISO 17292

DN15 PN40 Forged Floating Ball Valve is made according to ISO17292 standard. The valve body is made of ASTM A105. It has the structural characteristics of Design Features: Floating Ball, Full Port, Fire-safe & Anti-static Design, Blow-out Proof Stem. Its connection mode is EN1092-1 B1. And it has hand wheel operation mode.

  • Payment:

    30% when order confirmed, 70% before shipment
  • Product Origin:

    china
  • Color:

    Customization
  • Shipping Port:

    Shanghai, China
  • Lead Time:

    30~60 days Ex Works after order confirmation
Inquiry now
Product Detail

Product Description

Type

Forged Floating Ball Valve

Size

DN15

Pressure

PN40

Connection

EN1092-1  B1

Operation

H.W.

Body Material

ASTM A105

Design Norm

ISO17292

Face to Face

EN 558

End Connection

RF

Test & Inspection Code

ISO 5208A

FIRE SAFE DESIGN

API 607

Temperature

-29 ~ 400°C

Applicable Medium

Water, Oil and Gas

 

Features

1. Forged from ASTM A105 carbon steel, ensuring high strength and reliable sealing performance under PN40 pressure.

2. Floating ball design compliant with ISO 17292 provides smooth operation and effective flow control.

Technical Drawing

Forged Floating Ball Valve

Dimension Checking

Forged Floating Ball Valve

Pressure Testing

Forged Floating Ball Valve

Painting

Forged Floating Ball Valve

Nameplate & Packing

Forged Floating Ball Valve

Inspection Report

Forged Floating Ball ValveForged Floating Ball ValveForged Floating Ball ValveForged Floating Ball Valve

Leave A Message

If you are interested in our products and want to know more details,please leave a message here,we will reply you as soon as we can.

Related Products
Class 150 Floating Ball Valve
Aluminum Bronze Floating Ball Valve 1 Inch 150LB

The 1 inch floating type ball valve is made of aluminum bronze C95800. The reduced bore ball valve has lever operation, RF flange, two piece type body. Quick Detail Type Ball Valve Size 1" Pressure ANSI 150 Construction Floating Ball, 2-Piece Body, Side Entry, Reduced Bore Connection Flanged End Operation Lever Operation Body Material Aluminum Bronze ASTM B148 C95800 Media W.O.G Available Modifications for Ball Valve -Nominal Pressure -Valve Size -Reduced Port & Full Port -Material of Body, Ball, Stem, Seat, Packing, Bolt and Nut -Valve Operation (Lever, Gearbox, Pneumatic or Hydraulic or Electric Actuator) -End Connection Type -Available Extended Stem -Customized Coating & Packaging -Modifications of Drain Port Dervos Packaging Good packing means good first impression. Just imagine how do you feel differently when seeing two boxes below? And you will know the reason why in Dervos we value packaging so much. In Dervos, we make sure- 1.Every valve is clean and dry. What do we do? -Clean the valve before packing -Add anti-rust oil -Add flange cover 2.No damage to valves in delivery. How do we achieve this? -Fix the valve with iron wire -Separate the valve with soft material -Layer the valve with plywood 3.Strong box and clear shipping mark

Two Piece Cast Steel Ball Valve
Casting 2 Piece Ball Valve 4 Inch Class 150 Wrench

The 2 piece type floating ball valve has full port, fire safe design, anti blowout stem, ANSI 150 flange and lever operation. The carbon steel ball valve is designed with A216 WCB body, F316 stem and ball, PTFE soft seat. Quick Detail Type Ball Valve Size 4" Pressure 150 LB Construction Floating Type Ball, Two Piece Body, Full Bore Connection Raised Face Flange End Operation Wrench Operation Body Material Cast Steel WCB Trim Material SS316 &PTFE Design Standard API 6D Pressure & Temp Code ASME B16.34 Face to Face ASME B16.10 End Connection ASME B16.5 Inspection Code API 6D Temperature Range -29℃~+125℃ Media Water, oil and gas Material & Dimension No Part Name  Carbon steel to ASTM  Stainless Steel to ASTM WCB  LCB CF8 CF8M CF3 CF3M 1 Body  A216 WCB A352 LCB A351 CF8 A351 CF8M A351 CF3 A351 CF3M 2 Bonnet nut A194 2H A194 4 A194 8 3 Bonnet bolt A193 B7 A320 L7 A193 B8 4 Cap A216 WCB A352 LCB A351 CF8 A351 CF8M A351 CF3 A351 CF3M 5 Gasket SS Spiral Wound/graphite or SS Spiral Wound/PTFE 6 Ball  A105/Ep.Cr or F6 A182 F6 A351 CF8 A351 CF8M A351 CF3 A351 CF3M 7 Seat Ring RPTFE or POM 8 Small spring Stainless Steel 9 Small ball A182 F304  A182 F316L 10 Stem A182 F6 A182 F6 A182 F304 A182 F316 A182 F304L A182 F316L 11 Stem Seat PTFE 12 Stem Packing PTFE or Graphite 13 Gland A182 F6 A182 F304 A182 F316 A182 F304L A182 F316L 14 Gland Bolt A193 B7 A193 B8 15 Galnd Flange A216 WCB A351 CF8 16 Positioning Plate Steel 17 Wrentch A216 WCB The material is according to ASTM standard CLASS 150 DN mm 15 20 25 40 50 65 80 100 150 200 250 NPS in 0.5 0.75 1 1.5 2 2.5 3 4 6 8 10 L (RF) mm 108 117 127 165 178 191 203 229 394 457 533 in 4.25   4.6 5 6.5 7 7.5 8 9 15.5 18 21 L1 (BW) mm 140 152 165 190 216 241 283 305 457 521 559 in 5.5 6 6.5 7.48 8.5 9.5 11.13 12 18 20.5 22 L2 (RTJ) mm 119 129.7 139.7 178 191 203 216 241 406 470 546 in 4.69 5.11 5.5 6.9 7.5 8 8.5 9.5 16 18.5 21.5 H mm 66 74 87 105 132 152 182 215 250 285 495 in 2.6 2.9 3.48 4.2 5.28 6.08 7.28 8.6 10 11.4 19.5 Do(W) mm 130 130 160 230 400 400 600 850 1100 1500 *350 in 5.1 5.11 6.3 9 15.74 15.74 23.62 33.46 43.3 59 13.8 RF(Kg)   2.3 3 4.5 7 15 20 25 40 97 160 240 BW(Kg)   2.0 2.5 3.8 5.8 12 17 21 36 92.8 154 227 *Worm Gear or Electric actuator operated Special Tests & Inspections In addition to regular hydraulic testing and air testing, Dervos could also do specials test as per clients’ requests, such as PT test, RT test, UT test, cryogenic test, low leakage test, fire proof test, and hardness test and so on. 

DN100 WCB Ball Valve
DIN Ball Valve DN100 PN16 WCB Floating Ball Heating Jacket

DIN Ball Valve Full Pore RF Floaing Ball Fire Proof anti-static Lever WCB Body A105+ENP Ball 17-4PH Stem F304+Ni55 Seat X750 Spring Welding Flange Heating Jacket DN100 PN16 Quick Detail Type Ball Valve Size DN100 Design Pressure PN16 Construction Floating ball valve ConnectionType Raised Face Flange OperationType Lever Body Material WCB BallMaterial A105+Ni60 Stem Material 17-4PH SeatMaterial F304+Ni55 Design Code EN12516-1 Face to Face Dimension EN558-1 End Connection EN1092-1 B1 Pressure & Temp EN12266 Medium Water, Oil and Gas Origin China

API 6D Ball Valve Manufacturer
API 6D Floating Ball Valve 2 Inch 600LB Extended Stem A105

API 6D ball valve is designed with an extended stem for special use, like underground ball valve or low temperature application. The length of the extended stem can be customized as per client's request. Quick Detail Type Ball Valve Size 2 Inch Pressure Class 600 Construction Split Body, Side Entry, Floating Type, Firesafe Design, Antistatic System, Anti-Blowout Stem, Extended Bonnet Connection RF Flange Operation Mode Lever Body Material A105N Trim Material SS304 Ball and Stem, RPTFE Seat Design & Manufacture API 6D Pressure & Temp Code ASME B16.34 End to End ASME B16.10 End Connection ASME B16.5 Inspection API 6D, API 598 Temperature Range -29℃~+200℃ Medium Oil, Water, Gas QC Process in Dervos Casting inspection: We can find out the raw material’s problem, such as shoddy casting, unqualified wall thickness, chemical composition and so on, which ensure that you will not be cheated.   Machining Inspection: -Ensure machining accuracy -Find out machining mistake as early as possible, to win more time for repairing, remaking Final Inspection: -Final inspection activities include document and QC record review, visual examination, dimension check, pressure test, painting and packing check -Save time and cost: you don’t need to come and inspect in person and all the documents could be provided as proof. Inspection report will be provided free of charge including:   -EN 10204 3.1 Mill Test Certificate -Inspection Report, showing the whole inspection process

 Forged Steel A105 NPT Ball Valve
DN25 PN100 Forged Steel A105 NPT Ball Valve

DN25 PN100 Forged Steel A105 NPT Connection Way 2 Pieces Construction Full Pore Lever Operation Floating Ball Fire Safety Body and Bonnet A105 Ball a182 F304 Seat Ring PTFE Stem A182 F304 Stem O Ring Viton Packing Graphite Gland Stainless Steel Design and Manufacture ASME B16.34 Face to Face Design Manufacture Standard Manufacture Standard Screw and Dimension ANSI B1.20.1 Inspection and Test API598 Fire Safety Design API 607  Quick Detail Type Ball Valve Size DN25 Pressure PN100 Construction 2 Pieces Connection NPT Operation Mode Lever Body Material A105 Cover A105 Design & Manufacture ASME B16.34 End to End ASME B16.10 End Connection  ANSI B1.20.1 Inspection API 598 Temperature Range -29℃~+538℃ Medium Oil, Water, Gas

2 Piece Floating Ball Valve WCB 150LB 4Inch Reduced Bore
2 Piece Floating Ball Valve WCB 150LB 4Inch Reduced Bore

The 2-piece floating ball valve, made in accordance with API 6A, has a design of reduced bore, fire safe design, anti blowout stem. With the RPTFE seat and PTFE O ring, the 4 inch WCB valve is certificate to serve you.

JIS 2 Piece Floating Ball Valve RF×NPT 25A 16K
JIS 2 Piece Floating Ball Valve RF×NPT 25A 16K

This ball valve, designed as per ASME B16.34, features two different connection ways--one side for RF and the other side NPT. The valve with floating ball, PTFE seat, SCS13 body and other features has an excellent sealing performance.

2 Inch 600LB API6D Ball Valve RF Full Bore 2 piece type
2 Inch 600LB API6D Ball Valve RF Full Bore 2 piece type

The forged steel ball valve is made of A105 body and 17-4PH trim with RTJ flange end and lever operation. This floating ball valve features reliable sealing performance and easy operation.

Stainless Steel 2 Pieces Type Ball Valve 1-1/2 Inch 800LB
Stainless Steel 2 Pieces Type Ball Valve 1-1/2 Inch 800LB

Made of F316, the floating ball valve is designed under the code of ASME B16.34. The valve consists of two-piece body, floating ball, lever operation, with good reliable sealing performance and small torque.

Forged Steel Floating Ball Valve
DN25 PN16 Forged Steel Floating Ball Valve Body ASTM ISO 17292

DN25 PN16 Forged Steel Floating Ball Valve is made according to ISO17292 standard. The valve body is made of ASTM-A105. It has the structural characteristics of Split Body, Floating Ball, Full Bore, Fire-safe, Anti-static, Blow-out Proof Stem. Its connection mode is RF . And it has hand wheel operation mode.

1Inch Three-Piece Manual Ball Valve Full Bore
1Inch Three-Piece Manual Ball Valve Full Bore

Made of CF8M, the 2 PC valve is designed according to ASME B16.34. Mixed with 15 percent of fibreglass, the RPTFE seat of the valve is more eligible to bear high temperature and high corrosive working condition.

Flanged End Ball Valve
Flanged End Ball Valve, ASTM A350 LF6, CL600, 1/2 Inch, Two Piece

China Flanged End Ball Valve Producer,Dervos Offers Flanged End Ball Valve, ASTM A350 LF6, Class 600, 1/2 Inch, Two Piece, Forging, API 608, BS 5351, ASME B16.34.

Leave a message

    If you are interested in our products and want to know more details,please leave a message here,we will reply you as soon as we can.

Home

Products

about

contact