English

English

Get a Quote
Products

Hot Products

Company News

Fire Safe Ball Valves Explained When Do You Really Need One
Fire Safe Ball Valves Explained When Do You Really Need One
2025-12-29

In industrial piping systems, safety is always a top priority. A Fire Safe Ball Valve is a specialized type of ball valve designed to maintain sealing and prevent leakage under high temperatures or fire conditions. Although it looks similar to a standard ball valve, its structure and functionality are significantly different. This article provides a detailed analysis of the working principle, applicable scenarios, and selection guidelines for Fire Safe Ball Valves.   1. Introduction to Fire Safe Ball Valves   A Fire Safe Ball Valve is designed for fire or extreme high-temperature conditions. Its core feature is the ability to maintain metal-to-metal sealing contact between the ball and the seat even if the valve seats or sealing elements are damaged by high heat, thereby preventing leakage of the medium.   Features: ● High-Temperature Sealing Protection: Even if soft sealing materials melt or burn, the metal seal continues to function. ● Compliance with International Standards: Common standards include API 607 and ISO 10497. ● High Durability: Suitable for harsh operating conditions and flammable or explosive media.   Working Principle: At normal temperatures, the soft valve seat ensures zero leakage. When the temperature rises to the soft seal failure point, a spring or preloading mechanism pushes the ball against the metal seat, achieving metal-to-metal sealing and preventing medium leakage under high temperatures or fire conditions.   2. Applicable Scenarios for Fire Safe Ball Valves   ● Petrochemical and Natural Gas: In pipelines carrying flammable or explosive media, a Fire Safe Ball Valve can effectively prevent fire from spreading through the valve. ● High-Temperature Process Systems: In steam, hot oil, or high-temperature gas pipelines, even if soft sealing materials fail due to heat, the metal seal ensures system safety. ● High Safety Requirement Applications:   In facilities such as refineries, chemical plants, and offshore platforms where safety standards are strict, using Fire Safe Ball Valves helps reduce the risk of leakage.   3. Differences Between Fire Safe Ball Valves and Standard Ball Valves   ● Sealing Materials: Standard ball valves typically use PTFE or other flexible materials for sealing, which can fail at high temperatures. Fire Safe Ball Valves engage a metal-to-metal seal when the soft seal fails. ● Design Standards: Fire Safe Ball Valves must comply with fire test standards, such as API 607, whereas standard ball valves do not have this requirement. ● Applicable Operating Conditions: Fire Safe Ball Valves are mainly used for high-temperature, high-pressure, or flammable/explosive media. Standard ball valves are suitable for conventional low- to medium-pressure, ambient-temperature media.   4. Selection Recommendations   Based on Medium Characteristics: ● For flammable, explosive, or high-temperature media, Fire Safe ...

Why Are Many Customers Surprised When They Receive DERVOS Valves?
Why Are Many Customers Surprised When They Receive DERVOS Valves?
2025-12-18

In the export of industrial valves, packaging is often regarded as merely the final step before delivery. However, during actual transportation, packaging directly affects the overall condition of the valve during transit, handling, and even at the moment the customer unpacks it.   For industrial valves that must undergo long-distance transportation and multiple transshipments, packaging itself is an integral part of product quality. Based on extensive export experience, DERVOS has established a clear, stable, and repeatable valve packaging standard to ensure that valves are delivered to customers safely and in perfect condition.   1. Pre-Packaging Preparation and Product Verification   Before entering the packaging process, all valves undergo cleaning, inspection, and product information verification. This stage ensures that each valve is in a stable and fully controlled condition before packaging.   ● Remove oil and grease from the valve body surface ● Inspect flange sealing surfaces and the valve cavity to ensure no foreign matter is present ● Install and securely fix the nameplate to ensure product information is clear and identifiable   This process provides a reliable foundation for subsequent protection and transportation.   2. Internal Anti-Corrosion Treatment and Sealing Surface Protection   To address the conditions typically encountered during export transportation, valves receive targeted protective treatment prior to packaging:   ● The valve cavity is evenly coated with anti-rust oil to reduce the risk of corrosion in humid or salt-laden environments ● Protective covers are installed on all flange faces to prevent impact damage or contamination during handling and transport   These measures ensure that both internal components and sealing surfaces remain in good condition until the valves arrive at the customer's site.   3. Multi-Layer Inner Packaging and Individual Valve Protection   During the inner packaging stage, DERVOS applies a multi-layer cushioning structure to provide comprehensive protection for each valve:   ● Impact-resistant pearl cotton is placed around all sides and at the bottom of the inner carton ● Separators are installed between valves to prevent direct contact ● Each valve is individually wrapped with protective cushioning material, with special attention given to coatings and machined surfaces   This packaging structure effectively reduces the risk of paint damage, abrasion, and surface defects during transportation.   4. Custom Partition Fixing and User-Friendly Design   When multiple valves are packed in the same crate, custom wooden partitions are used to secure each unit:   ● Valves are precisely positioned according to their dimensions to prevent movement inside the crate ● Partitions feature chamfered edges, making it easier for customers to open the crate and remove the valves ●&nb...

What are the differences between globe valves and gate valves?
What are the differences between globe valves and gate valves?
2025-12-12

In industrial piping systems, globe valves and gate valves are two of the most commonly used shutdown valves. Although both are designed for starting and stopping fluid flow, they differ significantly in structural design, operating principles, application scenarios, and overall performance. Understanding these differences helps engineers make informed selections that ensure system efficiency, reliability, and cost-effectiveness.   I. Key Differences in Structure and Operating Principles   1. Different opening and closing mechanisms Globe Valve: The disc moves up and down along a path perpendicular to the flow direction. Shutoff is achieved when the disc and seat sealing surfaces come into full contact. Gate Valve: The gate moves vertically in a manner similar to a “gate” that is either fully open or fully closed, with sealing achieved through surface compression.  This means that globe valves are suitable for precise throttling, while gate valves are mainly used for full open or full shut service.   2. Flow path design differences A globe valve has an S-shaped flow path that forces the medium to change direction, resulting in higher flow resistance. A gate valve features a straight-through flow path with minimal resistance and low pressure drop, making it better suited for long-distance transmission.   II. Differences in Application Scenarios   1. Throttling vs. On/Off Service Globe valves can be used for throttling and flow regulation, making them suitable for applications requiring high sealing performance and precise flow control, such as steam, cooling water, and various process media.   Gate valves are not suitable for throttling, as operating them in a partially open position may cause gate vibration, damage to the sealing surfaces, and fluid-induced impact. Gate valves are ideal for large-diameter pipelines where low flow resistance is required and switching frequency is relatively low, including oil transportation, water supply and drainage, and power plant systems.   2. Size range and installation space Globe valves are generally used in small to medium sizes (more common below DN50). Their body structure is heavier and requires more installation space. Gate valves are suitable for medium to large sizes. Due to their simpler design, they offer a cost advantage in larger dimensions.   III. Sealing Performance and Pressure Ratings   1. Differences in sealing surface design The globe valve features a tapered sealing surface, which achieves tight shutoff through axial compression, making it easier to obtain reliable sealing performance. The gate valve uses either parallel or wedge-type sealing surfaces. Its sealing effectiveness depends largely on the pressure applied by the gate and is more influenced by the system’s medium pressure.   2. Pressure and temperature adaptability Both valve types are suitable for medium- to high-pressure and high-temperature applications....

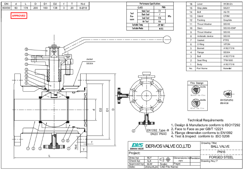
DN80*50 PN16 Forged Steel Ball Valve F316 ISO17292 EN1092-1 B
加载中...

DN80*50 PN16 Forged Steel Ball Valve F316 ISO17292 EN1092-1 B

  • Payment:

    30% when order confirmed, 70% before shipment
  • Product Origin:

    china
  • Color:

    Customization
  • Shipping Port:

    Shanghai, China
  • Lead Time:

    30~60 days Ex Works after order confirmation
  • Material:

    A182 F316
  • Method of Operation:

    hand wheel
Inquiry now
Product Detail

DN80*50 PN16 Forged Steel Ball Valve is made according to ISO17292 standard. The valve body is made of A182 F316. It has the structural characteristics of Reduced Bore, Insulated Jacket, with Two DN20 PN40 Small Flanges, Heating connection locations: one on the valve side and one at the bottom, Drain plug: Not required. Its connection mode is EN1092-1 B. And it has hand wheel operation mode.

 

Product Parameters

 

Type

Forged Steel Ball Valve

Size

DN80*50

Pressure

PN16

Connection

EN1092-1 B

Operation

Hand wheel

Body Material

A182 F316

Design Norm

ISO17292

Face to Face

GB/T 12221

Flange dimension

EN1092

Test & Inspection Code

ISO 5208

Temperature

-29 ~ 180°C

Applicable Medium

Water, Oil and Gas

 

Features

1.Forged from F316 stainless steel, providing excellent corrosion resistance and reliable performance for PN16 pressure applications.

2.Ball valve design compliant with ISO 17292 with EN1092-1 B flange ensures smooth flow control and secure installation.

 

Technical Drawing

Forged Steel Ball Valve

Forged Steel Ball Valve

Dimension Checking

Forged Steel Ball Valve

Pressure Testing

Forged Steel Ball Valve

Nameplate & Packing

Forged Steel Ball Valve

Inspection Report

Forged Steel Ball ValveForged Steel Ball ValveForged Steel Ball ValveForged Steel Ball Valve

Leave A Message

If you are interested in our products and want to know more details,please leave a message here,we will reply you as soon as we can.

Related Products
Class 150 Floating Ball Valve
Aluminum Bronze Floating Ball Valve 1 Inch 150LB

The 1 inch floating type ball valve is made of aluminum bronze C95800. The reduced bore ball valve has lever operation, RF flange, two piece type body. Quick Detail Type Ball Valve Size 1" Pressure ANSI 150 Construction Floating Ball, 2-Piece Body, Side Entry, Reduced Bore Connection Flanged End Operation Lever Operation Body Material Aluminum Bronze ASTM B148 C95800 Media W.O.G Available Modifications for Ball Valve -Nominal Pressure -Valve Size -Reduced Port & Full Port -Material of Body, Ball, Stem, Seat, Packing, Bolt and Nut -Valve Operation (Lever, Gearbox, Pneumatic or Hydraulic or Electric Actuator) -End Connection Type -Available Extended Stem -Customized Coating & Packaging -Modifications of Drain Port Dervos Packaging Good packing means good first impression. Just imagine how do you feel differently when seeing two boxes below? And you will know the reason why in Dervos we value packaging so much. In Dervos, we make sure- 1.Every valve is clean and dry. What do we do? -Clean the valve before packing -Add anti-rust oil -Add flange cover 2.No damage to valves in delivery. How do we achieve this? -Fix the valve with iron wire -Separate the valve with soft material -Layer the valve with plywood 3.Strong box and clear shipping mark

Two Piece Cast Steel Ball Valve
Casting 2 Piece Ball Valve 4 Inch Class 150 Wrench

The 2 piece type floating ball valve has full port, fire safe design, anti blowout stem, ANSI 150 flange and lever operation. The carbon steel ball valve is designed with A216 WCB body, F316 stem and ball, PTFE soft seat. Quick Detail Type Ball Valve Size 4" Pressure 150 LB Construction Floating Type Ball, Two Piece Body, Full Bore Connection Raised Face Flange End Operation Wrench Operation Body Material Cast Steel WCB Trim Material SS316 &PTFE Design Standard API 6D Pressure & Temp Code ASME B16.34 Face to Face ASME B16.10 End Connection ASME B16.5 Inspection Code API 6D Temperature Range -29℃~+125℃ Media Water, oil and gas Material & Dimension No Part Name  Carbon steel to ASTM  Stainless Steel to ASTM WCB  LCB CF8 CF8M CF3 CF3M 1 Body  A216 WCB A352 LCB A351 CF8 A351 CF8M A351 CF3 A351 CF3M 2 Bonnet nut A194 2H A194 4 A194 8 3 Bonnet bolt A193 B7 A320 L7 A193 B8 4 Cap A216 WCB A352 LCB A351 CF8 A351 CF8M A351 CF3 A351 CF3M 5 Gasket SS Spiral Wound/graphite or SS Spiral Wound/PTFE 6 Ball  A105/Ep.Cr or F6 A182 F6 A351 CF8 A351 CF8M A351 CF3 A351 CF3M 7 Seat Ring RPTFE or POM 8 Small spring Stainless Steel 9 Small ball A182 F304  A182 F316L 10 Stem A182 F6 A182 F6 A182 F304 A182 F316 A182 F304L A182 F316L 11 Stem Seat PTFE 12 Stem Packing PTFE or Graphite 13 Gland A182 F6 A182 F304 A182 F316 A182 F304L A182 F316L 14 Gland Bolt A193 B7 A193 B8 15 Galnd Flange A216 WCB A351 CF8 16 Positioning Plate Steel 17 Wrentch A216 WCB The material is according to ASTM standard CLASS 150 DN mm 15 20 25 40 50 65 80 100 150 200 250 NPS in 0.5 0.75 1 1.5 2 2.5 3 4 6 8 10 L (RF) mm 108 117 127 165 178 191 203 229 394 457 533 in 4.25   4.6 5 6.5 7 7.5 8 9 15.5 18 21 L1 (BW) mm 140 152 165 190 216 241 283 305 457 521 559 in 5.5 6 6.5 7.48 8.5 9.5 11.13 12 18 20.5 22 L2 (RTJ) mm 119 129.7 139.7 178 191 203 216 241 406 470 546 in 4.69 5.11 5.5 6.9 7.5 8 8.5 9.5 16 18.5 21.5 H mm 66 74 87 105 132 152 182 215 250 285 495 in 2.6 2.9 3.48 4.2 5.28 6.08 7.28 8.6 10 11.4 19.5 Do(W) mm 130 130 160 230 400 400 600 850 1100 1500 *350 in 5.1 5.11 6.3 9 15.74 15.74 23.62 33.46 43.3 59 13.8 RF(Kg)   2.3 3 4.5 7 15 20 25 40 97 160 240 BW(Kg)   2.0 2.5 3.8 5.8 12 17 21 36 92.8 154 227 *Worm Gear or Electric actuator operated Special Tests & Inspections In addition to regular hydraulic testing and air testing, Dervos could also do specials test as per clients’ requests, such as PT test, RT test, UT test, cryogenic test, low leakage test, fire proof test, and hardness test and so on. 

DN100 WCB Ball Valve
DIN Ball Valve DN100 PN16 WCB Floating Ball Heating Jacket

DIN Ball Valve Full Pore RF Floaing Ball Fire Proof anti-static Lever WCB Body A105+ENP Ball 17-4PH Stem F304+Ni55 Seat X750 Spring Welding Flange Heating Jacket DN100 PN16 Quick Detail Type Ball Valve Size DN100 Design Pressure PN16 Construction Floating ball valve ConnectionType Raised Face Flange OperationType Lever Body Material WCB BallMaterial A105+Ni60 Stem Material 17-4PH SeatMaterial F304+Ni55 Design Code EN12516-1 Face to Face Dimension EN558-1 End Connection EN1092-1 B1 Pressure & Temp EN12266 Medium Water, Oil and Gas Origin China

API 6D Ball Valve Manufacturer
API 6D Floating Ball Valve 2 Inch 600LB Extended Stem A105

API 6D ball valve is designed with an extended stem for special use, like underground ball valve or low temperature application. The length of the extended stem can be customized as per client's request. Quick Detail Type Ball Valve Size 2 Inch Pressure Class 600 Construction Split Body, Side Entry, Floating Type, Firesafe Design, Antistatic System, Anti-Blowout Stem, Extended Bonnet Connection RF Flange Operation Mode Lever Body Material A105N Trim Material SS304 Ball and Stem, RPTFE Seat Design & Manufacture API 6D Pressure & Temp Code ASME B16.34 End to End ASME B16.10 End Connection ASME B16.5 Inspection API 6D, API 598 Temperature Range -29℃~+200℃ Medium Oil, Water, Gas QC Process in Dervos Casting inspection: We can find out the raw material’s problem, such as shoddy casting, unqualified wall thickness, chemical composition and so on, which ensure that you will not be cheated.   Machining Inspection: -Ensure machining accuracy -Find out machining mistake as early as possible, to win more time for repairing, remaking Final Inspection: -Final inspection activities include document and QC record review, visual examination, dimension check, pressure test, painting and packing check -Save time and cost: you don’t need to come and inspect in person and all the documents could be provided as proof. Inspection report will be provided free of charge including:   -EN 10204 3.1 Mill Test Certificate -Inspection Report, showing the whole inspection process

 Forged Steel A105 NPT Ball Valve
DN25 PN100 Forged Steel A105 NPT Ball Valve

DN25 PN100 Forged Steel A105 NPT Connection Way 2 Pieces Construction Full Pore Lever Operation Floating Ball Fire Safety Body and Bonnet A105 Ball a182 F304 Seat Ring PTFE Stem A182 F304 Stem O Ring Viton Packing Graphite Gland Stainless Steel Design and Manufacture ASME B16.34 Face to Face Design Manufacture Standard Manufacture Standard Screw and Dimension ANSI B1.20.1 Inspection and Test API598 Fire Safety Design API 607  Quick Detail Type Ball Valve Size DN25 Pressure PN100 Construction 2 Pieces Connection NPT Operation Mode Lever Body Material A105 Cover A105 Design & Manufacture ASME B16.34 End to End ASME B16.10 End Connection  ANSI B1.20.1 Inspection API 598 Temperature Range -29℃~+538℃ Medium Oil, Water, Gas

2 Piece Floating Ball Valve WCB 150LB 4Inch Reduced Bore
2 Piece Floating Ball Valve WCB 150LB 4Inch Reduced Bore

The 2-piece floating ball valve, made in accordance with API 6A, has a design of reduced bore, fire safe design, anti blowout stem. With the RPTFE seat and PTFE O ring, the 4 inch WCB valve is certificate to serve you.

JIS 2 Piece Floating Ball Valve RF×NPT 25A 16K
JIS 2 Piece Floating Ball Valve RF×NPT 25A 16K

This ball valve, designed as per ASME B16.34, features two different connection ways--one side for RF and the other side NPT. The valve with floating ball, PTFE seat, SCS13 body and other features has an excellent sealing performance.

2 Inch 600LB API6D Ball Valve RF Full Bore 2 piece type
2 Inch 600LB API6D Ball Valve RF Full Bore 2 piece type

The forged steel ball valve is made of A105 body and 17-4PH trim with RTJ flange end and lever operation. This floating ball valve features reliable sealing performance and easy operation.

Stainless Steel 2 Pieces Type Ball Valve 1-1/2 Inch 800LB
Stainless Steel 2 Pieces Type Ball Valve 1-1/2 Inch 800LB

Made of F316, the floating ball valve is designed under the code of ASME B16.34. The valve consists of two-piece body, floating ball, lever operation, with good reliable sealing performance and small torque.

Forged Steel Floating Ball Valve
DN25 PN16 Forged Steel Floating Ball Valve Body ASTM ISO 17292

DN25 PN16 Forged Steel Floating Ball Valve is made according to ISO17292 standard. The valve body is made of ASTM-A105. It has the structural characteristics of Split Body, Floating Ball, Full Bore, Fire-safe, Anti-static, Blow-out Proof Stem. Its connection mode is RF . And it has hand wheel operation mode.

1Inch Three-Piece Manual Ball Valve Full Bore
1Inch Three-Piece Manual Ball Valve Full Bore

Made of CF8M, the 2 PC valve is designed according to ASME B16.34. Mixed with 15 percent of fibreglass, the RPTFE seat of the valve is more eligible to bear high temperature and high corrosive working condition.

Flanged End Ball Valve
Flanged End Ball Valve, ASTM A350 LF6, CL600, 1/2 Inch, Two Piece

China Flanged End Ball Valve Producer,Dervos Offers Flanged End Ball Valve, ASTM A350 LF6, Class 600, 1/2 Inch, Two Piece, Forging, API 608, BS 5351, ASME B16.34.

Leave a message

    If you are interested in our products and want to know more details,please leave a message here,we will reply you as soon as we can.

Home

Products

about

contact