English

English

Get a Quote
Products

Hot Products

Company News

What Is the Difference Between Plug Valves and Ball Valves?
What Is the Difference Between Plug Valves and Ball Valves?
2026-02-20

Ball valves and plug valves differ significantly in several aspects, including structure, operating principle, mode of operation, flow control capability, sealing performance, and application scenarios. These differences enable the two types of valves to perform distinct roles in their respective fields.   Structural Differences   The ball valve, a design evolved from the plug valve, utilizes a spherical element as its core component. By rotating the ball 90° around the stem axis, the valve can be opened or closed. Its structure is straightforward, consisting primarily of a spherical closure element with a through-bore housed within the valve body.   In contrast, the structure of a plug valve is more complex. It comprises multiple components such as the valve body, bonnet, plug, seat, and stem. The closure element is a cylindrical or tapered plug that controls flow by rotating 90°, aligning or misaligning the port in the plug with the flow passage in the valve body to achieve opening or shutoff.   Operating Principle   The operating principle of a ball valve relies on the rotation of the ball to control the on-off flow of fluid. When the ball is in tight contact with the valve seat, the clearance between them is completely sealed, thereby preventing fluid leakage. When the ball rotates to a position disengaged from the seat, the fluid is allowed to flow freely through the passage inside the valve body.   The operating principle of a plug valve differs in that it primarily controls the flow passage by rotating the plug element to open or close the valve. In a plug valve, the plug is connected to the stem and rotates together with it to achieve flow control. The closure element is a tapered plug with a port, and the flow passage is designed to be perpendicular to the axis of the plug. This configuration enables the plug valve to operate more efficiently and reliably during opening and closing.   The operation of a ball valve is notably simple, requiring only a 90-degree rotation to achieve opening or closing. This design allows the flow passage to be opened or shut off quickly and smoothly when the ball is rotated by 90 degrees, providing both convenience and efficiency. In addition, ball valves offer relatively low flow resistance in the fully open or fully closed position, making them particularly suitable for applications that require rapid on-off operation.   By contrast, the operation of a plug valve is comparatively more complex, as several turns are typically required to complete the opening or closing action. The valve plug is designed in a cylindrical or tapered form and regulates fluid flow through rotation. Nevertheless, plug valves demonstrate excellent performance in flow regulation, enabling precise adjustment of the flow passage diameter and accurate control of flow rate. However, due to the relatively complicated operating process, plug valves are not well suited for frequent operation...

Blind Plate Valve
Blind Plate Valve
2026-02-11

In industrial valve systems, a high-quality blind plate valve ensures safe and efficient operation of equipment. It is suitable for gas pipelines in metallurgy, chemical processing, petroleum, and municipal systems, serving as an effective device for positive gas isolation.   Working Principle and Features The blind plate valve consists of left, center, and right valve bodies, a valve plate, shafts, a compensator, and two drive units (for clamping and travel respectively). The clamping mechanism uses a drive assembly to actuate a linkage system, enabling three lead screws to operate synchronously and press the valve bodies against the valve plate to achieve sealing. This design provides good synchronization and uniform sealing force distribution. Positioning rollers are installed along the outer lower edge of the valve plate to enhance sealing reliability and ensure overall stability and sealing accuracy during operation, thereby extending the service life of the valve.   Valve Operating Sequence The clamping drive unit actuates the crank and linkage mechanism, causing the lead screws to rotate synchronously and retract the center body from the sealing surfaces (release condition). Guide wheels installed on the center body move laterally and simultaneously drive the valve plate. When the valve bodies are fully opened, the valve plate is positioned between the sealing faces of the left and right bodies, and the sealing surfaces are completely disengaged. The plate drive unit is then activated. Through a lever arm mechanism, the valve plate rotates, bringing the blind plate into the pipeline position. The clamping drive unit is started again to fully clamp the valve plate, completing valve closure.   Valve Opening The clamping drive unit first fully releases the valve bodies. The turning drive unit then rotates the valve plate so that the through-port aligns with the pipeline. Finally, the clamping electric actuator presses the valve plate to complete the opening operation.

Differences Between Wide-Body and Single-Piece Ball Valves
Differences Between Wide-Body and Single-Piece Ball Valves
2026-02-06

Wide-body ball valves and single-piece ball valves are both types of ball valves used for controlling the on/off flow of medium in pipelines.   Both wide-body and single-piece ball valves feature a one-piece (integral) body design, unlike split-body designs. This differs from two-piece and three-piece ball valves, which have segmented valve bodies.   For internally threaded wide-body ball valves, the valve body is made from round or hexagonal stock, using either bar material or forged components. The ball core features a reduced-diameter design and is inserted from one side of the valve body. The stem uses an internal anti-blowout structure. Flat surfaces are machined on both the inlet and outlet sides of the body to facilitate assembly of the ball valve and allow the use of wrenches during pipeline installation.   In wide-body ball valves, the stem stuffing box is relatively shallow, and the internal packing volume is limited, resulting in a moderate sealing performance of the stem. Therefore, these valves are more suitable for low-pressure medium applications. In contrast, two-piece and three-piece ball valves feature stem stuffing box structures that provide reliable sealing for high-pressure medium applications.   The structure of flanged wide-body ball valves is essentially the same as that of internally threaded wide-body ball valves. Typically, the flange is connected to the intermediate valve body via threaded fasteners, although some designs utilize a forged one-piece structure.   Externally threaded wide-body ball valves can use a union-type structure, where the union is directly welded to the pipeline and connects to the external threads on the valve body. This design allows for easy disassembly and reassembly during valve maintenance or replacement without requiring separate unions on the pipeline.   The valve bodies of single-piece internally threaded ball valves and single-piece flanged ball valves are manufactured using casting processes, with the ball core featuring a reduced-diameter design. The stem uses an internal anti-blowout structure. The inlet and outlet ends of single-piece internally threaded ball valves have a hexagonal shape, similar to conventional internally threaded valves, to facilitate wrench operation and secure installation.   In single-piece flanged ball valves, the flange and valve body are cast as a single unit, eliminating the need to machine and assemble the flange separately as in wide-body flanged ball valves. This approach reduces cost and simplifies the manufacturing process.   Single-piece wafer-style ball valves have a shorter valve body length, making them more suitable for pipelines with limited space.   Wide-body and single-piece ball valves both use a reduced-diameter ball design, resulting in higher flow resistance compared with two-piece and three-piece ball valves. The main differences are as follows:   Valve Body Manufacturing Process ● Wide-bo...

4” 150LB Butterfly Valve Lug RF LCC API609
加载中...

4” 150LB Butterfly Valve Lug RF LCC API609

  • Payment:

    30% when order confirmed, 70% before shipment
  • Product Origin:

    China
  • Color:

    Customization
  • Shipping Port:

    Shanghai, China
  • Lead Time:

    30~60 days Ex Works after order confirmation
  • Material:

    ASTM A352 LCC
  • Method of Operation:

    no
Inquiry now
Product Detail

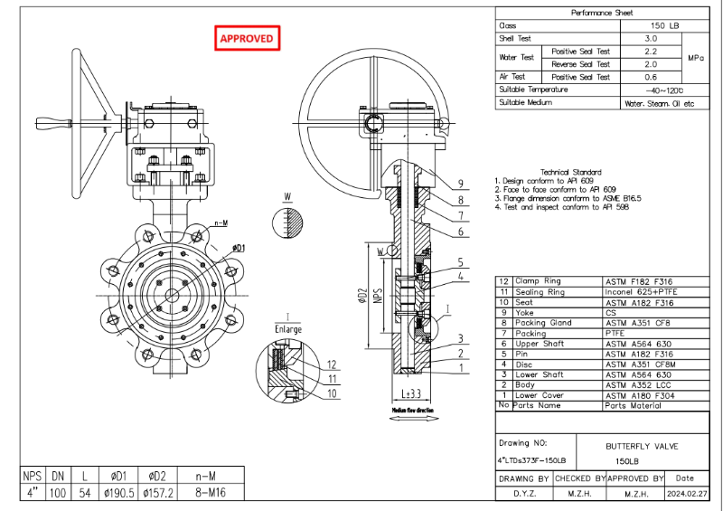
4” 150LB Butterfly Valve is made according to API609 standard. Its connection mode is RF.

 

Product Parameters

Type

Lug Butterfly Valve

Size

4”

Pressure

150LB

Connection

RF

Body Material

ASTM A352 LCC

Design Norm

API 609

Face to Face

API 609

Flange dimension

ASME B16.5

Test & Inspection Code

API 598

Temperature

-40~ 120°C

Applicable Medium

Water,Steam,Oil etc

 

Features

1.Lug-style design allows easy installation between flanges and supports downstream piping during maintenance.

2.Constructed from LCC carbon steel, rated 150LB with RF flange, and compliant with API 609 for reliable sealing and durability.

 

Technical Drawing

lug Butterfly Valve

Dimension Checking

Lug Butterfly Valve

Pressure Testing

Lug Butterfly Valve

Spectrum

Lug Butterfly Valve

Inspection Report

Lug Butterfly ValveLug Butterfly ValveLug Butterfly ValveLug Butterfly Valve

Leave A Message

If you are interested in our products and want to know more details,please leave a message here,we will reply you as soon as we can.

Related Products
SS High Performance Butterfly Valve
Double Offset High Performance Butterfly Valve CF8M 3 Inch

The double offset high performance butterfly valve, with lever operation and lug body, is designed per API 609. The CF8M body and PTFE seat butterfly valve is more durable in serving the application. Quick Detail Type Butterfly Valve Size 3'' Design Pressure 150LB Construction Double Eccnetric, Soft Seat Connection Type Lug Operation Wrench Operated Design Code API 609 Face to Face ASMEB16.10 End Connection ASMEB16.5 Test & Inspection API 598 Body Material Stainless Steel CF8M Temperature Range -29℃~+150℃ Application Water, Oil, Gas Dimension Class 150 DN mm 40 50 65 80 100 125 150 200 250 300 350 400 NPS in 1 1/2 2 2 1/2 3 4 5 6 8 10 12 14 16 L mm       127 127 127 127 152 203.2 203.2 203.2 203.2 in       5 5 5 5 6 8 8 8 8 L1 mm 38.1 46 50.8 48 54 63.5 57 63.5 71.5 81 92 101.5 in 1.5 1.81 2 1.88 2.13 2.5 2.25 2.5 2.81 3.19 3.62 4 H mm 185 190 220 229 239 252 284 307 337 392 435 481 in 7328 7.48 8.7 9 9.4 9.9 11.2 12 13.3 15.4 17.1 19 D(W) mm 160 160 160 160 160 160 160 200 200 250 250 300 in 6.3 6.3 6.3 6.3 6.3 6.3 6.3 7.9 7.9 9.8 9.8 11.8 Weight  (Kg) mm       12.5 13.5 17 38 72 105 148 182 230 in 8 9 10 10 11 14.5 34.2 66 98 134 168 200 Related Knowledge What is a high performance butterfly valve? A high performance butterfly valve is often designed with double offset and PTFE seat, to handle everything from general applications to viscous and corrosive liquids; corrosive gases and steam. Compared to concentric resilient seat butterfly valve, the disc of the high performance butterfly valve is arranged and positioned off the center of the pipe bore, which could reduce wear and tear to the valve during operation and increase sealing performance. In conlusion, high performance butterfly valve is applicable for higher pressure and temperature applications. Meanwhile, it has longer cycle life and better sealing ability.

High Performance Butterfly Valve
High Performance Butterfly Valve Lug Type Gear Operated WCB

The high performance butterfly valve is designed with double eccentric or double offset structure. The valve has cast steel WCB body, stainless steel disc and stem along with RPTFE soft seat. Quick Detail Type Butterfly Valve Nominal Size 6 Inch Nominal Pressure Class 150 Structure Double Offset, Double Eccentric, Soft Seat Connection Type Lug Type Operation Gear Operated Design Code API 609 Face to Face ASME B16.10 End Connection ASME 16.5 Test & Inspection API 598 Body Material Cast Steel WCB Trim Material CF8M Disc, 17-4PH Stem, RPTFE Seat Application Water, Oil, Gas Dervos Inspection Report

150LB high performance double offset butterfly valve WAFER
150LB high performance double offset butterfly valve WAFER

The 3 inch 150LB butterfly valve has a double-offset disc design that allows the disc to move off the seat reducing running torque and seat wear. The Wafer type valve can be driven by a gearbox and handwheel or by electric, pneumatic or hydraulic actuator.

Butterfly Valve
12" 300LB High performance Double Eccentric Butterfly Valve API609

12" 300LB butterfly valve is made according to API 609 standard. The valve body is made of WCB. It has the structural characteristics of high performance and double eccentric. Its operation is turbine operation and packing is graphite.

C95500 Triple Offset Metal Seated Butterfly Valve
DN900 150LB C95500 Triple Offset Metal Seated Butterfly Valve Turbine

DN900 150LB Triple Offset Metal Seated Butterfly Valve is made according to API609 standard. The valve body is made of C95500. It has the structural characteristics of Triple offset, bidirectional equal pressure zero leakage. Its connection mode is FF double flange. And it has Turbine operation mode.

DN100 A516 Through Conduit Slab Gate Valve with Drain Valve
DN100 A516 Through Conduit Slab Gate Valve with Drain Valve

The DN100 through conduit slate gate valve is made according to EN558.It is ideal for pipeline applications requiring pigging capability.

Body WCB, 3 150LB Cast Steel Globe Valve, RTJ Connection
Body WCB, 3" 150LB Cast Steel Globe Valve, RTJ Connection, BS1873

3" 150LB cast steel globe valve is made according to BS1873 standard. The valve body is made of ASTM A216 WCB+STL. It has the structural characteristics of bright pole bracket, body cover bolted connection. Its connection mode is RTJ. And it has hand wheel operation mode.

Body WCB, DN50 PN16 Cast Steel Gate Valve, EN1984
Body WCB, DN50 PN16 Cast Steel Gate Valve, EN1984, Handwheel

DN50 PN16 Cast Steel gate valve is made according to BS EN 1984 standard. The valve body is made of ASTM A216 WCB. It has the structural characteristics of bolt cover, exposed pole. Its connection mode is EN1092-1 B. And it has Hand Wheel operation mode.

1/2” 400LB Floating Ball Valve Body B62 C83600 Lever OP.
1/2” 400LB Floating Ball Valve Body B62 C83600 Lever OP.

1/2” 400LB Floating Ball Valve is made according to ASME B16.34 standard. The valve body is made of B62 C83600. It has the structural characteristics of Two-Piece. Its connection mode is Lever OP.. 

Ball Valve
API6D DN50 PN160 Floating Ball Valve Lever A105

DN50 PN160 floating ball valve is made according to API6D standard. The valve body is made of A105. It has the structural characteristics of floating ball and structural length of 235mm. It has a lever operation mode and its connection mode is lens gasket.

2 150LB Cast Steel Y Type-Strainer RF ASME B16.34
2" 150LB Cast Steel Y Type-Strainer RF ASME B16.34

2" 150LB Cast Steel Y Type-Strainer is made according to ASME B16.34 standard. The valve body is made of ASTM A216 WCB. It has the structural characteristics of Y type. Its connection mode is RF.   Product Parameters   Type Cast Steel Y Type-Strainer Size 2” Pressure 150LB Connection RF Body Material ASTM A216 WCB Design Norm ASME B16.34 Face to Face ASME B16.10 Flange dimension ASME B16.5 Test & Inspection Code API 598 Temperature -29 ~ 425°C Applicable Medium Water, Oil and Gas   Features 1.Cast steel body designed per ASME B16.34, ensuring strength and reliability under Class 150 service conditions. 2.Y-type configuration with RF flanged ends provides effective debris filtration and easy maintenance in pipeline systems.   Technical Drawing Dimension Checking Pressure Testing Painting Nameplate & Packing Inspection Report

Gate Valve
Pressure Seal Gate Valve 10'' 1500LB WCC BW PSB

10'' 1500LB gate valve is made according to ASME B16.34 standard. The valve body is made of WCC. It has the structural characteristics of pressure self sealing, rising stem, elastic wedge and structural length of 864mm. Both ends of the valve stem are threaded. It has BW connection type.

Leave a message

    If you are interested in our products and want to know more details,please leave a message here,we will reply you as soon as we can.

Home

Products

about

contact