Payment:
30% when order confirmed, 70% before shipmentProduct Origin:
chinaColor:
CustomizationShipping Port:
Shanghai, ChinaLead Time:
30~60 days Ex Works after order confirmationMaterial:
ASTM A350 LF2Method of Operation:
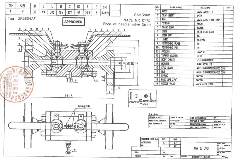
Hand Wheel2" 300LB double block and bleed valve is made according to ASME B16.34 standard. The valve body is made of LF2. It has the structural characteristics of Inlet 2" CL300 RF, outlet 2" CL300 RF, vent connection 3/4" NPT, equipped with two ball valves and one needle valve, fire-safe design, bidirectional service. Its connection mode is RF. And it has Hand wheel operation mode.
|
Type |
Double block and bleed valve |
|
Size |
2” |
|
Pressure |
300LB |
|
Connection |
RF |
|
Operation |
Hand Wheel |
|
Body Material |
ASTM A350 LF2 |
|
Design Norm |
ASME B 16.34 |
|
Face to Face |
MFR’S |
|
End connection |
RF |
|
Test & Inspection Code |
API 598 |
|
Temperature |
-29 ~ 200°C |
|
Applicable Medium |
Water, Oil and Gas |
1.Manufactured from LF2 carbon steel, offering excellent low-temperature toughness and reliable performance for 300LB pressure class service.
2.Double block and bleed design with RF flange, compliant with ASME B16.34, ensures safe isolation and effective pressure relief.

Double block and bleed valve








If you are interested in our products and want to know more details,please leave a message here,we will reply you as soon as we can.