Payment:
30% when order confirmed, 70% before shipmentProduct Origin:
chinaColor:
CustomizationShipping Port:
Shanghai, ChinaLead Time:
30~60 days Ex Works after order confirmationMaterial:
ASTM A351 CF8 / CF8M (Stainless Steel)Method of Operation:
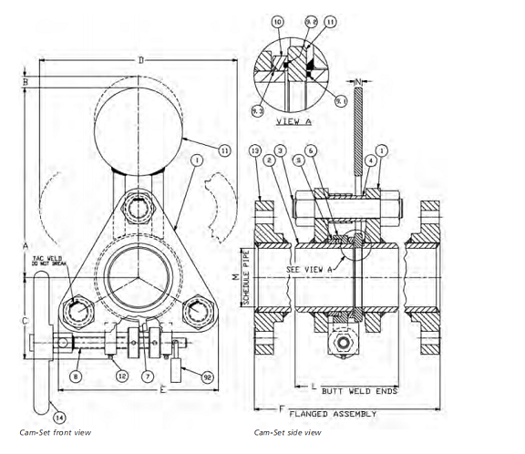
HandwheelThis 8-inch Class 150 stainless steel line blind valve is designed to provide absolute positive isolation for pipelines handling corrosive, chemical, or marine media. Unlike carbon steel valves that may be susceptible to rust and chemical attack, this valve is constructed from ASTM A351 CF8/CF8M stainless steel, offering superior corrosion resistance and long-term reliability in aggressive environments.
The sliding or swing-type blind mechanism (depending on model) creates a solid physical barrier, ensuring zero leakage during maintenance without relying on seats that can wear or degrade. This design allows operators to switch between flow and blind positions without depressurizing the line, significantly reducing downtime and enhancing safety.
Fully compliant with ASME B16.34 and tested to API 598, this valve features RF flanges per ASME B16.5 and is available with manual handwheel, gear operator, or pneumatic/electric actuation. It is an ideal choice for chemical plants, offshore platforms, water treatment facilities, and any pipeline system where corrosion resistance is critical.
|
Parameter |
Specification |
|
Type |
Line Blind Valve (Sliding / Swing Type) |
|
Size |
8″ (DN200) |
|
Pressure |
Class 150 (PN20) |
|
Connection |
RF Flange, ASME B16.5 |
|
Operation |
Handwheel / Gear / Optional Actuator |
|
Body Material |
ASTM A351 CF8 / CF8M (Stainless Steel) |
|
Spectacle Plate |
Stainless Steel (CF8 / 316) |
|
Seals |
PTFE / Graphite / Metal (options available) |
|
Design Standard |
ASME B16.34 |
|
Test Standard |
API 598 |
|
Temperature Range |
-29°C to 150°C (up to 425°C with metal seat) |
|
Applicable Media |
Water, Oil, Gas, Corrosive Fluids, Chemicals, Seawater |
● Stainless Steel CF8/CF8M Body – Provides excellent resistance to rust, pitting, and chemical attack, ensuring long service life in corrosive environments.
● Absolute Physical Isolation – Solid blind plate creates a true barrier, guaranteeing zero leakage during pipeline maintenance.
● Inline Operation Without Depressurization – Sliding mechanism enables switching without system blowdown, reducing downtime and operational risk.
● Tested to API 598 – 100% hydrostatic and pneumatic tested to ensure leak-tight performance.
● Multiple Actuation Options – Available with handwheel, gear operator, pneumatic, or electric actuation to suit your system requirements.

Corrosion Resistance: Ideal for offshore, chemical, and wastewater applications where carbon steel may rust.
Low Maintenance: Reduced risk of seal and body degradation over time.
Wide Temperature Range: Suitable for both cryogenic and elevated temperatures with appropriate sealing.
Hygienic Applications: Commonly used in food, beverage, and pharmaceutical industries due to cleanability.
For standard industrial applications without corrosive media, our carbon steel series remains a reliable and cost-effective option.
If you are interested in our products and want to know more details,please leave a message here,we will reply you as soon as we can.