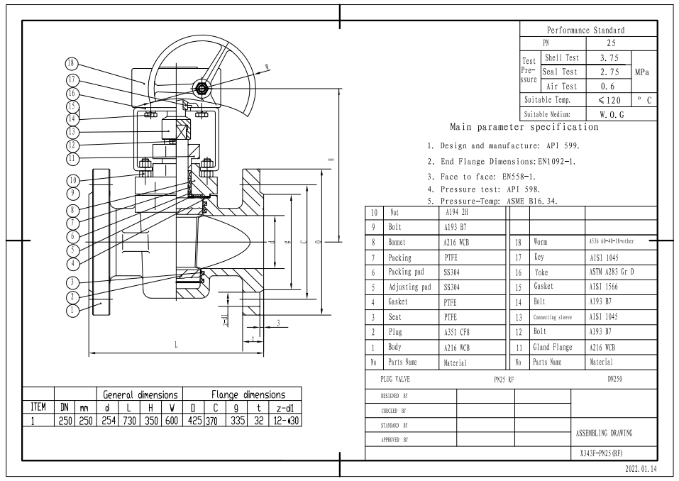
DN250 PN25 plug valve is made according to API599 standard. The valve body is made of A216 WCB. It has the structural characteristics of soft sealing plug valve. Its connection mode is RF. And it has turbine operation mode.
Payment:
30% when order confirmed, 70% before shipmentProduct Origin:
ChinaColor:
CustomizationShipping Port:
Shanghai, ChinaLead Time:
30~60 days Ex Works after order confirmationMaterial:
A216 WCBMethod of Operation:
Turbine OperationProduct Description
|
Type |
Plug Valve |
|
Size |
DN250 |
|
Pressure |
PN25 |
|
Connection |
RF |
|
Operation |
Turbine Operation |
|
Body Material |
A216 WCB |
|
Design Norm |
API 599 |
|
End Flange Dimensions |
EN1092-1 |
|
Face to Face |
EN558-1 |
|
Pressure Test |
API 598 |
|
Pressure-Temp |
ASME B16.34 |
|
Temperature |
≤ 120°C |
|
Applicable Medium |
Water, Oil and Gas |
Features
1. Low resistance, easy and fast opening and closing;
2. Simple structure, convenient operation, and low fluid resistance.
Technical Drawing
Dimension Checking
Pressure Testing
Painting
Nameplate & Packing
Inspection report



If you are interested in our products and want to know more details,please leave a message here,we will reply you as soon as we can.