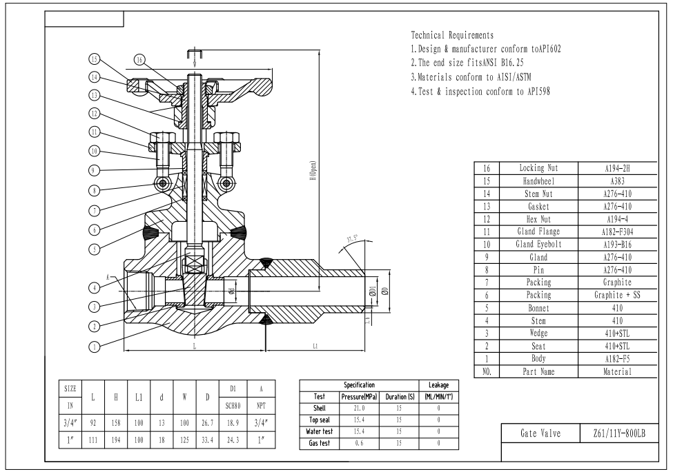
1" 800LB gate valve is made according to API 602 standard. The valve body is made of A182-F5. It has the structural characteristics of rigid gate, welded bonnet and extended valve body 100mm. Its connection mode is BW*NPT. And it has hand wheel operation mode.
Payment:
30% when order confirmed, 70% before shipmentProduct Origin:
ChinaColor:
CustomizationShipping Port:
Shanghai, ChinaLead Time:
30~60 days Ex Works after order confirmationMaterial:
A182-F5Method of Operation:
Hand WheelProduct Description
|
Type |
Gate Valve |
|
Size |
1" |
|
Pressure |
800LB |
|
Connection |
BW*NPT |
|
Operation |
Hand Wheel |
|
Body Material |
A182-F5 |
|
Design Norm |
API 602 |
|
The End Size |
ANSI B16.25 |
|
Materials |
AISI/ASTM |
|
Test & Inspection Code |
API 598 |
|
Applicable Medium |
Water, Oil and Gas |
Features
1. The fluid resistance is small, and the external force required for opening and closing is small;
2. The flow direction of the medium is not limited, the body shape is relatively simple, and the casting process is good;
3. When fully open, the sealing surface is slightly eroded by the working medium.
Technical Drawing
Dimension Checking
Pressure Testing
Nameplate & Packing
Inspection report



If you are interested in our products and want to know more details,please leave a message here,we will reply you as soon as we can.